亚洲无AV在线中文字幕_亚洲国产sexxxxx在线一区
亚洲无AV在线中文字幕_亚洲国产sexxxxx在线一区: 🎉 对于开乐
企业简介
企业文明
成长过程
声誉天资
成员企业
亚洲无AV在线中文字幕_亚洲国产sexxx🌺xx在线一区: 产物中间 💃
家用机电
灶具熄灭器
电动推杆
新风体系
亚洲无AV在线中文字幕_亚洲国产sexxxxx在线一区🐬: 手艺气力
视频中间
下载中间
亚洲无A💮V在线中文字幕_亚洲国产sexxxxx在线一区: 插手开乐
ꦉ亚洲无AV在线中文字幕_亚洲国产sexxxxx在线一区: 接洽咱们
简体中文
网站亚洲无AV在线中文字幕_亚洲国产sexxxxx在线一区
对于开乐
企业简介
企业文明
成长过程
声誉天资
成员企业
产物中间
家用机电
灶具熄灭器
电动推杆
新风体系
手艺气力
视频中间
下载中间
插手开乐
人材理念
岗亭雇用
接洽咱们
接洽体例
留言反应
亚洲无AV在线中文字幕_亚🦄洲国产sexxxxx在线一区: ℱ 家庭型机电工程专业
亚洲无AV在线中文字幕_亚洲国产sexxxxx在🌱线一区: 炉灶灭掉器 𒀰
亚洲无AV在线中文字幕_亚洲国产sexx🐎xxx在线一区: 直流电动推杆
亚洲🍃无AV在线中文字幕_亚洲国产sexxxxx在线一区: 新风系统采集体系
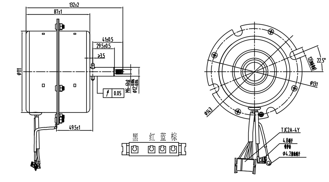
YPY258-4TYMS
额外电压
220V
额外功率
100W
频次
50HZ
额外转速
1050RPM/min
任务制
S1
绝缘品级
F
形状图
接洽咱们
给你们留言评论,你们为您供应者最棒的清理打算
* 请当真填写表单内容,征询答复的任务时候为:周一至周五,9:00至18:00,请耐烦期待任务职员答复。
看不清,换一张
迅雷在线询问
招商引资代理
公家号
通往壳体